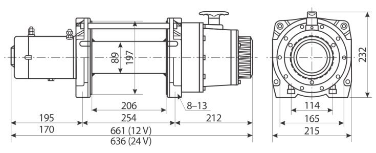
Vinci de recuperare tip PRO-DV-12000 și PRO-DV-15000
Descriere
Vinciurile de recuperare PRO-DV-12000 respectiv PRO-DV-15000 sunt vinciuri electrice de mare capacitate și sunt construite conform următoarelor standarde şi Directive Europene:
- SR EN 14492-1 privind Instalaţii de ridicat. Trolii acționate;
- Directiva privind Compatibilitatea Electromagnetică (EMC) 2004/108/EC.
Caracteristici:
- robust şi compact, creat pentru o durată de viaţă lungă, în condiţii de utilizare extreme;
- rulare silenţioasă pe parcursul tuturor treptelor de viteză;
- forţă de tragere constantă, cu eficienţă sporită;
- transmisie planetară în 3 trepte, pentru o viteză de tragere mai mare;
- inel de ghidare rotativ al cuplajului, pentru o bobinare liberă;
- clasa de protecție IP44;
- cablu de oţel cu cârlig de încărcare;
- telecomandă cu 5 m de cablu.
Note:
1. Atenție: nu se folosește pentru mutarea sau ridicarea persoanelor.
2. Cablul de tracțiune nu intră sub incidența garanției.
Vinciurile de recuperare PRO-DV-12000 respectiv PRO-DV-15000 sunt vinciuri electrice de mare capacitate și sunt construite conform următoarelor standarde şi Directive Europene:
- SR EN 14492-1 privind Instalaţii de ridicat. Trolii acționate;
- Directiva privind Compatibilitatea Electromagnetică (EMC) 2004/108/EC.
Caracteristici:
- robust şi compact, creat pentru o durată de viaţă lungă, în condiţii de utilizare extreme;
- rulare silenţioasă pe parcursul tuturor treptelor de viteză;
- forţă de tragere constantă, cu eficienţă sporită;
- transmisie planetară în 3 trepte, pentru o viteză de tragere mai mare;
- inel de ghidare rotativ al cuplajului, pentru o bobinare liberă;
- clasa de protecție IP44;
- cablu de oţel cu cârlig de încărcare;
- telecomandă cu 5 m de cablu.
Note:
1. Atenție: nu se folosește pentru mutarea sau ridicarea persoanelor.
2. Cablul de tracțiune nu intră sub incidența garanției.




