Vinci electric tip PRO-CP300
Acest vinci electric este construit conform următoarelor standarde şi Directive Europene:
- SR EN 14492-1 privind Instalaţii de ridicat. Trolii acționate;
- Directiva Maşini 2006/42/EC;
- Directiva privind Compatibilitatea Electromagnetică (EMC) 2004/108/EC;
- Directiva pentru Tensiunile Joase (LVD) 2006/95/EC.

Caracteristici vinciuri electrice:
- greutate redusă şi un design compact;
- instalare uşoară;
- frână electromagnetică pentru siguranţă;
- angrenaj planetar pentru eficienţă sporită;
- carcasă din oţel turnat;
- rulmenţi cu bile pe toată suprafaţa de rulare, cu randament ridicat;
- flanşă de închidere pentru a preveni blocarea cablului între tambur şi suport;
- telecomandă cu două butoane - sus/jos;
- funcţionare silenţioasă;
- protecție termică pentru evitarea supraîncălzirii și arderea motorului.
Specificaţii tehnice:
- capacitate de ridicare: 300 kg;
- viteză de ridicare: 10-15 m/min la 50 Hz;
- motor: 1.15 kW x 4 poli;
- cablu: 6 mm x 30 m;
- înălţimea maximă de ridicare: 29 m;
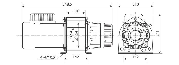
- diametru tambur: 94 mm;
- diametru flanşă tambur: 154 mm;
- distanţa între flanşe: 110 mm;
- dimensiuni placă de fixare: 142 x 142 mm;
- greutate: 40 kg;
- clasă protecție: IP44;
- tensiune de alimentare: 220 V.
Accesorii standard:
- cablu tracţiune: 6 mm x 30 m;
- cablu telecomandă: 1,25 mm2 x 3 m x 5 fire;
- cablu alimentare: 1,5 mm2 x 3 m x 3 fire.
Note:
1. Atenţie! NU se foloseşte pentru mutarea sau ridicarea persoanelor.
2. Pe măsură scade numărul de straturi pe tambur, capacitatea de ridicare creşte cu aprox. 10%.
3. Cablul de tracţiune nu intră sub incidenţa garanţiei.
4. Capacitatea de tracțiune este influențată substanțial de forțele de frecare întâmpinate.




